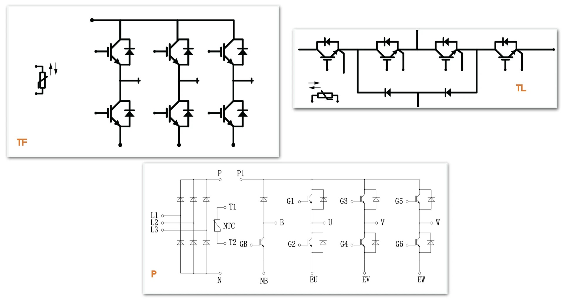
P3 series IGBT Module
Home Products IGBT Power ModuleMore IGBT Modules Replacement ListP3 series IGBT Module
P3 series IGBT Module
Applications
Motor Drivers
AC and DC Servo Drive Amplifier
UPS (Uninterruptible Power Supplies)
Features
Low switching losses
Low VCE(sat) with positive temperature coefficient
Including fast & soft recovery anti-parallel FWD
Low inductance case
High short circuit capability(10us)
Isolated heatsink using DBC technology
Maximum junction temperature 175℃
| Part Number | Collector-Emitter Voltage VCES min. (V) |
Collector Current Ic @ Tc=80℃ (A) |
Saturation Voltage VCE(sat) typ. (V) |
Switching Energy Loss Eon Eoff typ. Tj=125℃ (mJ) |
Max Junction-to-Case Thermal Resistance Rthi-c max. (℃/W) |
Package |
| G75TL065P3 | 650 | 75 | 1.65 | 5.61 | 0.33 | P3 |
| G100TL065P3 | 650 | 100 | 1.65 | 8.55 | 0.24 | P3 |
| G150TL065P3 | 650 | 150 | 1.65 | 13.4 | 0.17 | P3 |
| G50TF12P3 | 1200 | 50 | 1.85 | 9.41 | 0.18 | P3 |
| G75TF12P3 | 1200 | 75 | 1.85 | 12.35 | 0.11 | P3 |
| G10P12P3 | 1200 | 10 | 1.85 | 2.34 | 1.25 | P3 |
| G15P12P3 | 1200 | 15 | 1.85 | 2.58 | 1.05 | P3 |
| G25P12P3 | 1200 | 25 | 1.85 | 4.56 | 0.68 | P3 |
| G35P12P3 | 1200 | 35 | 1.85 | 6.27 | 0.43 | P3 |
| G100TT12TLP3 | 1200 | 100 | 2 | 10.21 | 0.18 | P3 |

Need more information?
Contact us to request pricing, availability and customization options.

VUB72-16NOXT 3ph Rectifier Bridge + Brake Unit + NTC
3~ Rectifier Bridge Brake Unit NTC, 75A 1200V.

7MBR150VN120-50 PIM IGBT Module 150A 1200V
1200V, 150A Power Integrated Module (PIM) IGBT Module

SKM195GB124DN high performance low loss IGBT Module
View More
CM400DY-66H High Voltage IGBT Module
The CM400DY-66H is a high-power, insulated IGBT module, designed for high-voltage switching applications.




