DF40AA120 DF40AA160 DF60AA120 DF60AA160 Three Phase Bridge Diode
Home Products Diode Bridge ModuleSingle and 3 phase Diode Bridge moduleDF40AA120 DF40AA160 DF60AA120 DF60AA160 Three Phase Bridge Diode
DF40AA120 DF40AA160 DF60AA120 DF60AA160 Three Phase Bridge Diode
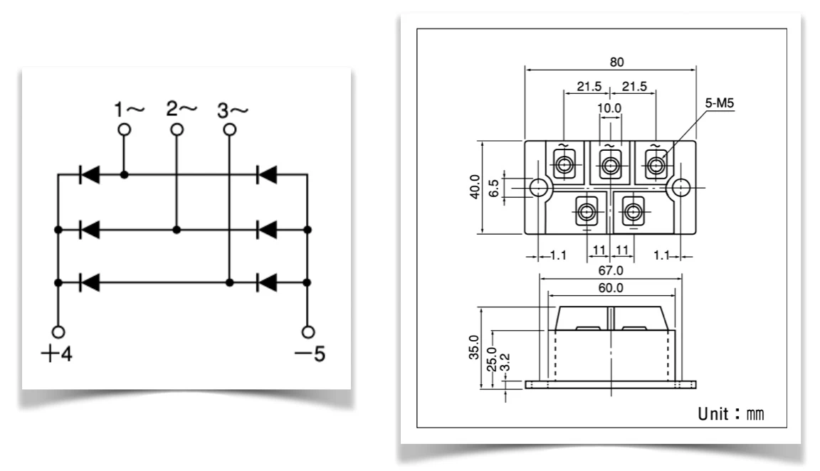
Power Diode Module DF40AA, DF60AA is designed for three phase full wave rectification, which has six diodes connected in a three phase bridge configuration. The mounting base of the module is electrically isolated from semiconductor elements for simple heatsink construction Output DC current is 60Amp (Tc=112℃) Repetitive peak reverse voltage is up to 1,600V.
Features:
●TjMax=150℃
●Isolated Mounting Base
●High reliability by unique glass passivation
Applications:
AC. DC Motor Drive/AVR/Switching
―for three phase rectification



Need more information?
Contact us to request pricing, availability and customization options.

M50 Diode Bridge Module
M50 Diode Series, Bridge rectifier, 60A and 100A, @ 1600V.

600A to 1000A Bridge Rectifier Modules
600A to 1000A single phase and three phase bridge rectifier

Single phase and three phase full controlled bridge rectifier 25A to 1600A
1 phase and 3 phase, full controlled bridge rectifier, 25A to 1500A.

Three Phase Diode Bridge Rectifier
3 phase diode bridge rectifier, 50A 75A 100A 150A 200A 300A 400A 500A 600V to 2000V



