Forced air cooling heatsink for power semiconductor devices
Home Products Capsule Power SemiconductorsAir cooling and water cooled heatsinkForced air cooling heatsink for power semiconductor devices
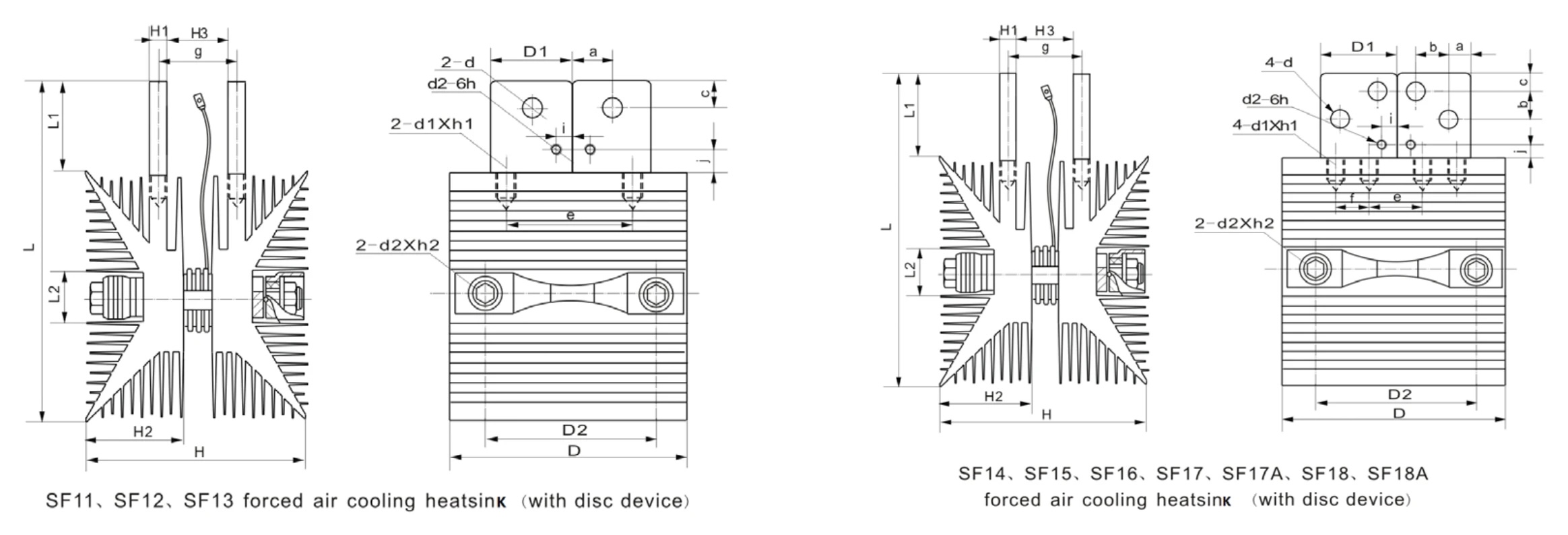
Drawing
Forced air cooling heatsink for power semiconductor devices
![]()
![]()
![]()
Inquiry
Need more information?
Contact us to request pricing, availability and customization options.








