BY7-20 SPD
Home Products Building Protection DeviceSurge Protection DeviceBY7-20 SPD
BY7-20 SPD
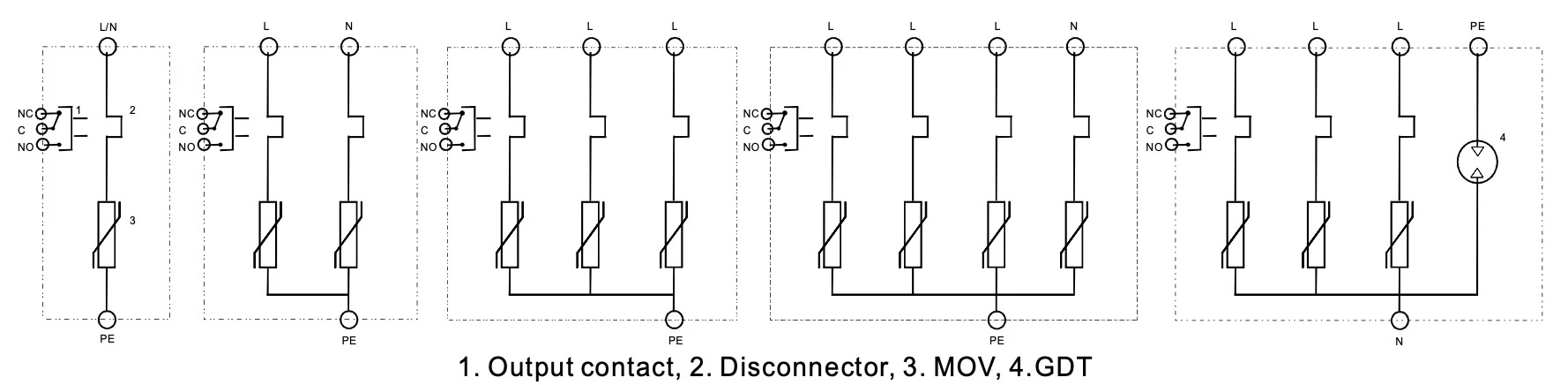
The BY7-20 series Surge Protection Device (SPD) features a dependable voltage protection level and a robust overload characteristic, coupled with a strong discharge current capacity, making it ideal for lightning protection in AC low voltage distribution systems. Incorporating a high-energy Metal Oxide Varistor (MOV) chip, the BY7-20 series SPD offers a rapid response time and reliable protection functions. This product is in full compliance with the IEC 61643-11:2011 standard.



| Desctription | Symbol | Unit | Parameters & Models | |||
| Rated operational voltage | Uc | V | 275 | 320 | 385 | 440 |
| Nominal discharge current | In | kA | 10 | 10 | 10 | 10 |
| Maximum discharge current | Imax | kA | 20 | 20 | 20 | 20 |
| Voltage protection level | Up | Kv | 1.0 | 1.2 | 1.5 | 1.8 |
| Protection degree | IP | 20 | 20 | 20 | 20 | |
| Response time | ns | 25 | 25 | 25 | 25 | |
| Fuse | A | 20 | 20 | 20 | 20 | |
| Material | PA6 | PA6 | PA6 | PA6 | ||
| Fire retardent (comply with) | UL94V-0 | UL94V-1 | UL94V-2 | UL94V-3 | ||
| Standards | IEC61643-1:1998 | |||||
| Single Phase Model |
L/N L,N |
BY7-20/1-275 BY7-20/2-275 |
BY7-20/1-320 BY7-20/2-320 |
BY7-20/1-385 BY7-20/2-385 |
BY7-20/1-440 BY7-20/2-440 |
|
| L/N NPE | BY7-20/1 1-275 | BY7-20/1 1-320 | BY7-20/1 1-385 | BY7-20/1 1-440 | ||
| Three phase Model | L1,L2,L3 | BY7-20/3-275 | BY7-20/3-320 | BY7-20/3-385 | BY7-20/3-440 | |
| L1,L2,L3,N | BY7-20/4-275 | BY7-20/4-320 | BY7-20/4-385 | BY7-20/4-440 | ||
| L1,L2,L3,N NPE | BY7-20/3 1-275 | BY7-20/3 1-320 | BY7-20/3 1-385 | BY7-20/3 1-440 | ||
| Local indication: Green indicates normal state and red indicates failure. | ||||||
Need more information?
Contact us to request pricing, availability and customization options.









