12KV 1600A 2000A 2500A Vacuum Contactor
Home Products Vacuum ContactorMedium Voltage Vacuum Contactor12KV 1600A 2000A 2500A Vacuum Contactor
12KV 1600A 2000A 2500A Vacuum Contactor
The Greegoo GC24-12kV Series AC high-voltage vacuum contactor stands out in the 12kV market with its exceptional high-current ratings of 1600A, 2000A, and 2500A, enabling robust handling of demanding loads like large motors, transformers, and capacitor banks.
Technical Highlights
Ratings: Rated working voltage of 12kV, with currents of 1600A, 2000A, and 2500A; rated breaking capacity of 5kA; short-circuit time of 4s.
Endurance: Mechanical life of 10,000 cycles (latching device replacement required every 100,000 operations for mechanically latched models); electrical life of 25,000 cycles (AC3) and 10,000 cycles (AC4).
Operating Frequency: 120 cycles/hour; mechanical latching at 30 cycles/hour.
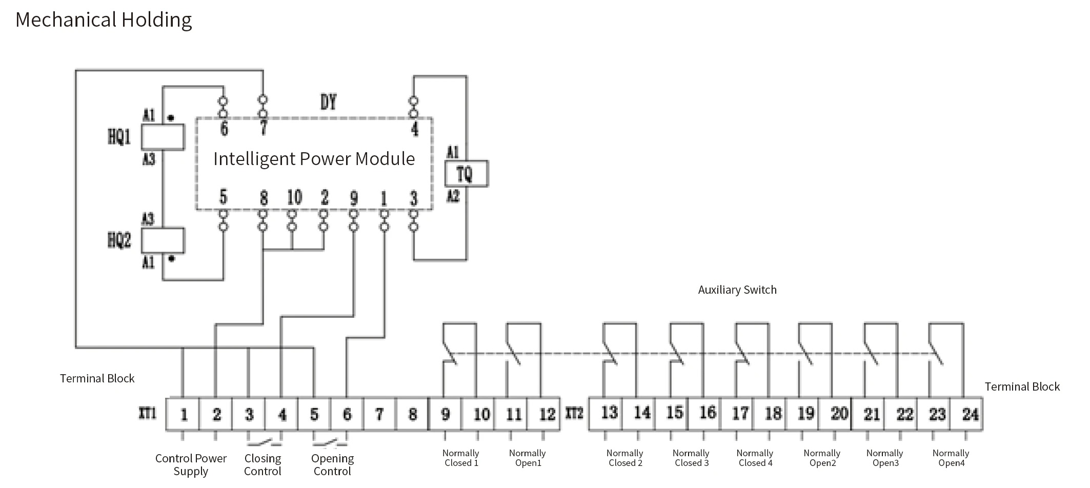
Control Power: Electrical holding (starting <1500W, holding <300W); mechanical holding (closing <1600W, opening <700W).
Insulation: Power frequency withstand voltage of 42kV, lightning impulse withstand voltage of 75kV (peak).
These features ensure excellent switching characteristics, long service life, high safety, and reliability, making it suitable for demanding applications.
| Performance Parameter | Units | GC24-12/1600 | GC24-12/2000 | GC24-12/2500 |
|---|---|---|---|---|
| Rated Working Voltage (Ur) | kV | 12 | 12 | 12 |
| Rated Working Current (Ie) | A | 1600 | 2000 | 2500 |
| Rated Making Capacity (Im) | kA | 6.3 | 6.3 | 6.3 |
| Rated Breaking Capacity (Ic) | kA | 5 | 5 | 5 |
| Rated Overcurrent Withstand Capacity | kA/s | 12/1 | 15/1 | 18/1 |
| Rated Short-Time Withstand Current (Ik) | kA | 6.3 | 6.3 | 6.3 |
| Rated Peak Withstand Current (Ip) | kA | 16 | 16 | 16 |
| Rated Short-Circuit Time (tk) | s | 4 | 4 | 4 |
Rated Insulation Level
| Parameter Type | Sub-Parameter | Units | Value |
|---|---|---|---|
|
Rated Power Frequency Withstand Voltage |
Vacuum break | kV | 42 |
| Phase to phase | kV | 42 | |
| Phase-to-Earth | kV | 42 | |
|
Rated Lightning Impulse Withstand Voltage (Peak) |
Vacuum break | kV | 75 |
| Phase to phase | kV | 75 | |
| Phase-to-Earth | kV | 75 |
Additional Operating and Endurance Parameters
| Parameter | Units | GC24-12/1600 | GC24-12/2000 | GC24-12/2500 | Notes |
|---|---|---|---|---|---|
| Main Circuit Contact Resistance | μΩ | ≤80 | ≤50 | ≤60 | - |
| Rated Operating Frequency | cycles/hour | 120 | 120 | 120 | - |
| Mechanical Latching Operating Frequency | cycles/hour | 30 | 30 | 30 | - |
| Mechanical Endurance (Mechanical Life) | cycles | 10,000 | 10,000 | 10,000 |
For mechanically latched models, replace the latching device every 100,000 operations. |
| Electrical Endurance (Electrical Life) - AC3 | cycles | 25 | 25 | 25 |
Making current: 4kA, Breaking current: 2.5kA. |
| Electrical Endurance (Electrical Life) - AC4 | cycles | 10 | 10 | 10 |
Making current: 4kA, Breaking current: 4kA. |
Control Circuit
Rated Voltage (Ua): AC & DC 110V, 220V, or customized according to user requirements.
Control Power:
Electrical Holding: Starting <1500W; Holding <300W.
Mechanical Holding: Closing <1600W; Opening <700W.
Auxiliary Circuit
Quantity: Up to 8 combinations of NO (Normally Open) and NC (Normally Closed) contacts; 6 combinations for mechanical holding type; 10 combinations for models using electronic control modules.
Rated Conventional Thermal Current: AC380V 6A; AC220V 10A.
Auxiliary Contact Rated Making & Breaking Current: AC380V 6A, AC220V 6A, DC220V 0.5A.
Power Frequency Withstand Voltage: 2kV (excluding components).
Operating Characteristics
Opening and Closing Time: Closing time ≤120ms; Opening time ≤80ms.
Three-phase Synchronization: ≤2ms.
Minimum Pickup Voltage: ≤85% Ua; Maximum Drop-out Voltage = 10%~75% Ua.



Need more information?
Contact us to request pricing, availability and customization options.

EVC7-12KV-160/250/400/630A High altitude MV Vacuum Contactor
EVC7-G series 160A,250A,400A,630A 12KV. Altitude upto 4000 meters

24KV Vacuum Contactor 160A to 1250A EVC8G
Single and 3 pole 24KV vacuum contactor, 160A to 1250A.

12kV 630A single phase vacuum contactor
EVC1-C series 160A,250A,400A and 630A 12KV single phase casting type vacuum contactors

12KV 630A high altitude vacuum contactor
EVC8-G series high-proto type vacuum contactor, 250A,400A,630A,800A and 1000A 12KV, Altitude up to 4000 meters casting type three phase vacuum contactor.



