FF600R12ME4 IGBT Module
Home Products IGBT Power ModuleInfineon IGBT Module EquivalentFF600R12ME4 IGBT Module
Product details
FF600R12ME4 IGBT Module
Features
• Electrical features
VCES = 1200 V
IC nom = 600 A / ICRM = 1200 A
Low VCE,sat
Tvj,op = 150°C
VCE,sat with positive temperature coefficient
• Mechanical features
- High power density
- Isolated base plate
- Standard housing
Potential applications
• High-power converters
• Motor drives
• Servo drives
• UPS systems
• Wind turbines
Specification

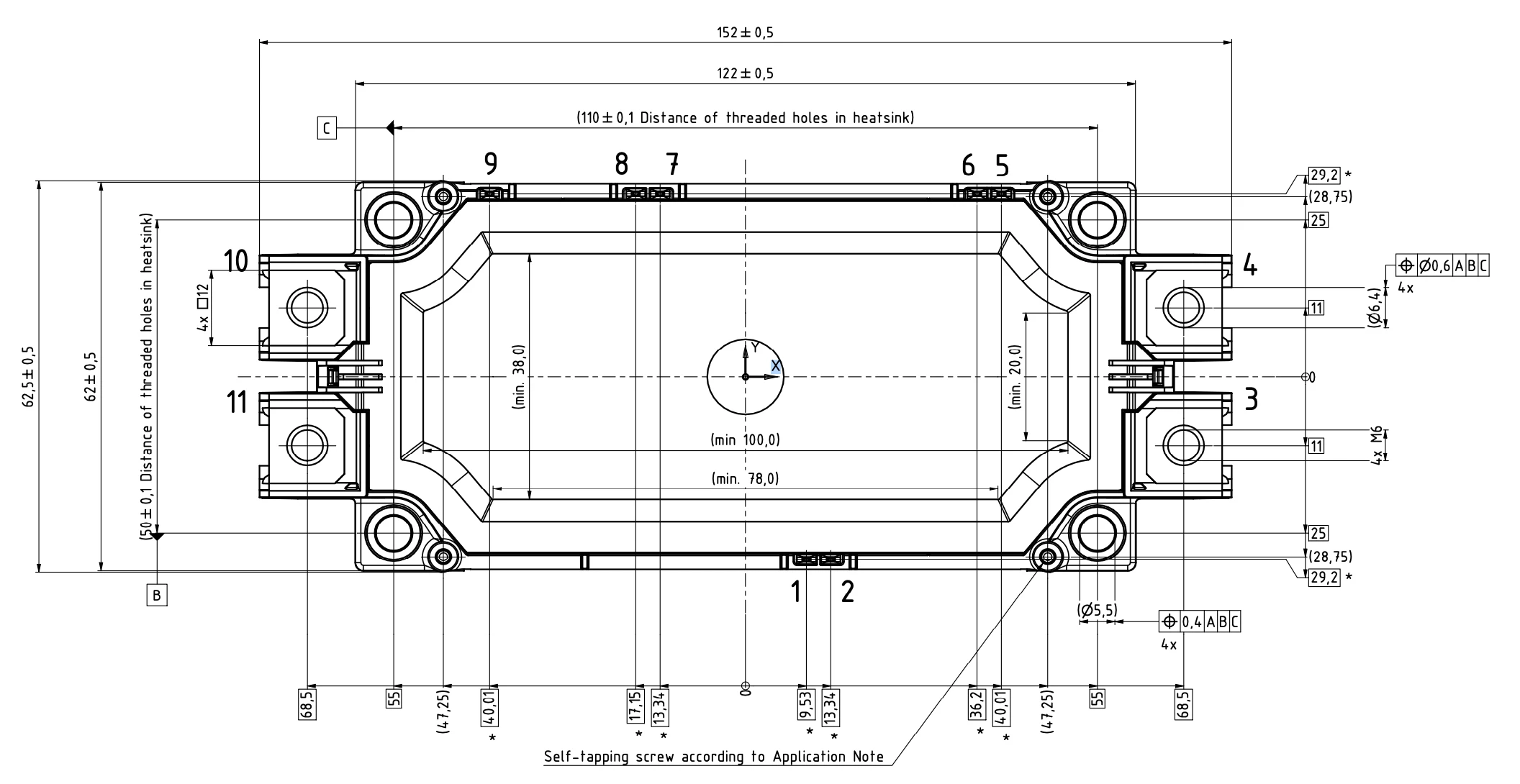
Dimension

Inquiry
Need more information?
Contact us to request pricing, availability and customization options.









