Clamp box for disc devices (V50)
Home Products Capsule Power SemiconductorsClamp BoxClamp box for disc devices (V50)
Feature
Clamp box for disc devices (V50)
Clamps suitable for disc devices with a housing diameter of 42mm and a height of 14mm
Features
- Easy mounting for single sided cooling
- Clamping force: 6.0kN
- Min creeping distance 11mm
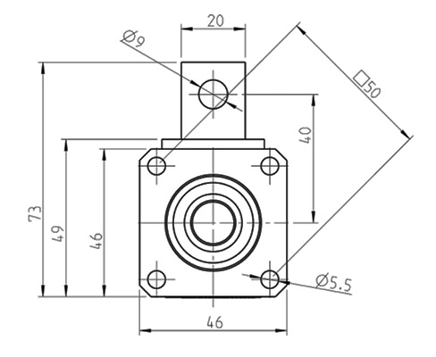
Dimensions
![]() ![]() |
![]() ![]() |
![]() ![]() |
Product Details
|
Model |
Clamping force [kN] |
Suitable for disc housing [mm] |
Height [mm] . |
Minimum creepage [mm] |
|
V50-14.45N |
4.5 |
42 |
14 |
11 |
|
V50-14.60N |
6.0 |
42 |
14 |
11 |
Inquiry
Need more information?
Contact us to request pricing, availability and customization options.





-dimension1.jpeg)
-dimension2.jpeg)

-dimension3.jpeg)







