Vacuum Isolation with Phase Changing Switch for 3 phase AC Switching 800A 1.14KV
Home Products Vacuum ContactorVacuum Isolating Phase Change SwitchVacuum Isolation with Phase Changing Switch for 3 phase AC Switching 800A 1.14KV
Vacuum Isolation with Phase Changing Switch for 3 phase AC Switching 800A 1.14KV
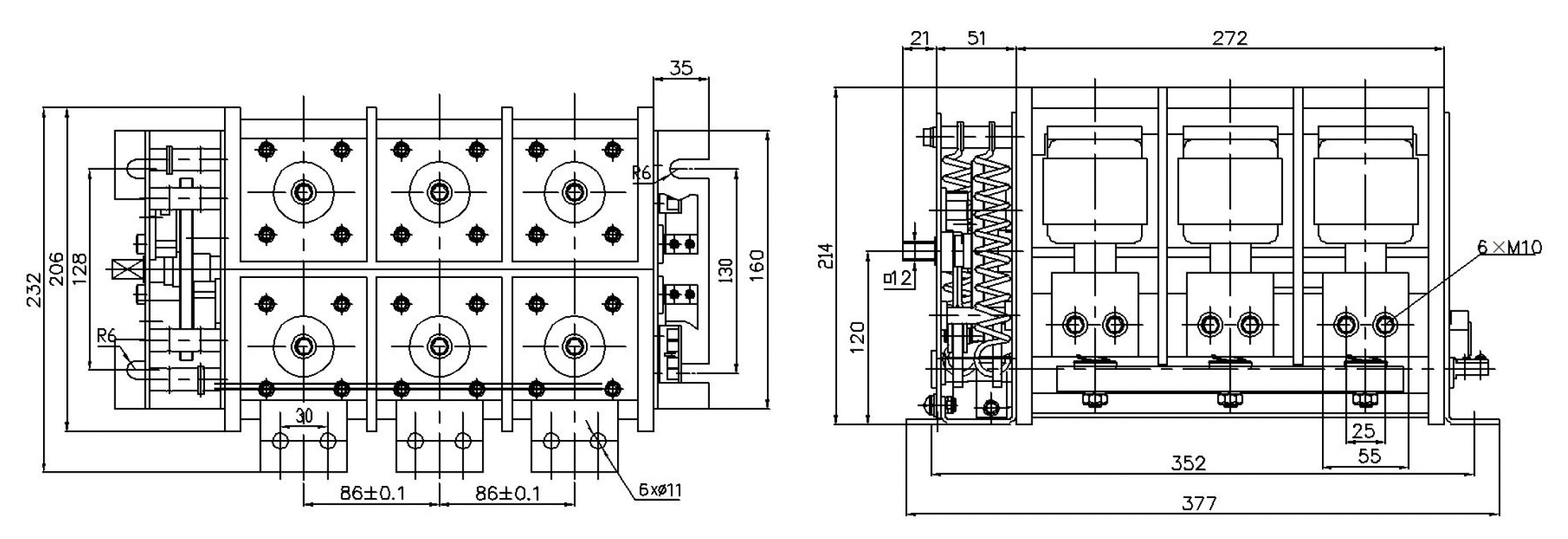
GHZ2-800A/1.14KV is a three-phase AC vacuum isolating phase change switch (also referred to as an isolation reversing switch or phase-changing disconnect switch). This switch is designed for manual operation in power systems rated at 50 Hz, with a main circuit rated working voltage of 1.14KV and rated current up to 800A. Its primary functions include:
- Acting as a pre-stage isolator for starters (e.g., in motor control applications).
- Changing the phase sequence (reversing phases) to control motor rotation direction.
- Under certain conditions, disconnecting (breaking) the circuit for isolation or sectionalizing.
- Key advantages include a compact size, simple structure, lightweight operation, small contact gap, short arcing time, and high breaking capacity.
- It features vacuum interrupters for reliable arc extinction, auxiliary contacts for monitoring (2 normally open and 2 normally closed per positive/negative phase), and a mechanical life of 6,000 operations.
- 6.3 kA short-circuit breaking current, 8 kA short-time withstand (2 seconds), and 20 kA peak withstand.
This switch is commonly used in industrial or utility settings for safe isolation and phase reversal in low-to-medium voltage distribution, particularly for motor starters or similar equipment.
| Part Numbers | GHZ2-800A/1.14KV | |
| Rated Current | A | 800 |
| Rated Voltage | kV | 1.14 |
| Rated short circuit breaking current | kA | 6.3 |
| Rated short time withstand current (2S) | kA | 8 |
| Rated peak withstand current | kA | 20 |
| Rated short time frequency withstand voltage | kV | 4.2 |
| Rated short time frequency withstand voltage (fracture) | kV | 10 |
| Mechanical Life | times | 6000 |
| Weight | Kg | 23 |
| Auxiliary switch | 2NO 2NC | |
| Auxiliary contact capacity | AC-15:Ue:AC380V Ie:1A | |
| DC-13:Ue:DC250V Ie:0.8A |

Need more information?
Contact us to request pricing, availability and customization options.

Vacuum isolating phase change switch 3.6KV 800A
800A 3.6KV GHZ-800/3.6 Vacuum isolating phase change switch

Three-Phase AC Isolating Phase Change Switch 1.14KV
500A 1.14KV 3 phase ac isolating phase change switch

Vacuum Isolating Phase Change Switch 800A 1.14KV
800A 1.14KV GHZ-800/1.14 vacuum isolator with phase changing capacity

3 phase disconnector with phase change switch
400A 1.14KV GHK-400A/1.14KV 3 phase disconnector with phase change switch






