FP50R12KT4G IGBT Module
Home Products IGBT Power ModuleInfineon IGBT Module EquivalentFP50R12KT4G IGBT Module
FP50R12KT4G IGBT Module
Overview
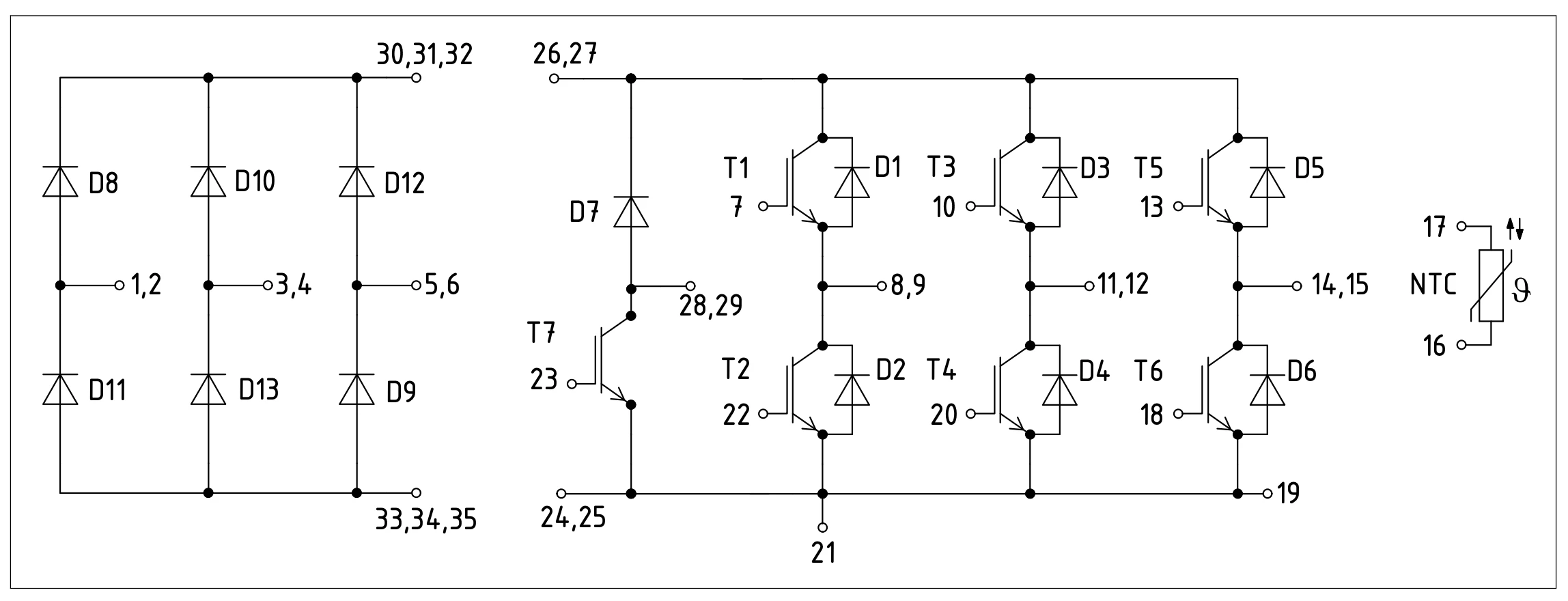
The FP50R12KT4G is a high-performance IGBT (Insulated Gate Bipolar Transistor) module. It is designed for compact, efficient power conversion in industrial applications. This module integrates a three-phase input rectifier, a six-pack IGBT inverter, and a brake chopper into a single package, enabling reliable operation in demanding environments with fast switching and low losses.
Aplications
Auxiliary inverters in renewable energy systems or industrial power supplies.
Motor drives for pumps, fans, and compressors.
Servo drives in automation and robotics.
Key Features
Electrical Design: Utilizes fast Trench/Fieldstop IGBT4 technology with emitter-controlled diodes for low switching losses, low saturation voltage (V_CE,sat), and a positive temperature coefficient for easy paralleling.
Thermal Management: Al₂O₃ substrate with low thermal resistance, high power cycling (up to 10,000 cycles) and thermal cycling capability, copper baseplate, and integrated NTC thermistor for temperature monitoring.
Mechanical Reliability: Solder pin contact technology for low inductance (40 nH stray inductance), isolation voltage of 2.5 kV RMS, RoHS compliant, and standard housing (122 mm x 62 mm, 300 g weight).
Operational Range: Junction temperature (T_vj,op) up to 150°C, storage temperature -40°C to 125°C.
| Parameter | Symbol | Value (IGBT Inverter, per IGBT) | Value (Diode Rectifier, per Diode) | Value (Brake Chopper IGBT, per IGBT) | Notes |
|---|---|---|---|---|---|
| Collector-Emitter Voltage | V_CES / V_RRM | 1200 V | 1600 V | 1200 V | T_vj = 25°C |
| Nominal DC Current | I_CDC / I_F | 50 A | 70 A (RMS input) | 25 A | T_vj max = 175°C, T_C = 95–100°C |
| Repetitive Peak Current | I_CRM / I_FRM | 100 A | 450 A (FSM, 10 ms) | 50 A | - |
| Saturation Voltage | V_CE,sat / V_F | 1.85–2.15 V (25°C); 2.25 V (150°C) | - | 1.85–2.15 V (25°C); 2.25 V (150°C) | I_C = 50 A, V_GE = 15 V |
| Gate Threshold Voltage | V_GE,th | 5.20–6.40 V | - | 5.20–6.40 V | I_C = 1.7 mA, T_vj = 25°C |
| Total Gate Charge | Q_G | 0.38 μC | - | 0.2 μC | V_GE = ±15 V |
| Turn-On Delay Time | t_d,on | 0.060 μs (25°C) | - | 0.050 μs (25°C) | Inductive load, V_CC = 600 V |
| Turn-Off Delay Time | t_d,off | 0.280 μs (25°C) | - | 0.210 μs (25°C) | - |
| Turn-On Energy | E_on | 3.5 mJ (25°C) | - | 2.2 mJ (25°C) | - |
| Turn-Off Energy | E_off | 2.8 mJ (25°C) | - | 1.4 mJ (25°C) | - |
| Short-Circuit Current | I_SC | 180 A | - | 90 A | t_p ≤ 10 μs, T_vj = 125–150°C |
| Thermal Resistance (Junction-to-Case) | R_thJC | 0.540 K/W | 0.850 K/W | 0.950 K/W | Per device, λ grease = 1 W/(m·K) |
| NTC Resistance at 25°C | R_25 | - | - | - | 5 kΩ (integrated thermistor) |

Need more information?
Contact us to request pricing, availability and customization options.

FF1200R17KP4-B2 IGBT Module
1700V 1200A IGBT-Module

BSM150GT120DN2 IGBT Power Module
200A 1200V 3-phase full-bridge

BSM200GA120DLC IGBT Module
200A 1200V IGBT module - 62mm C-series module with low loss IGBT2 and EmCon diode

BSM50GX120DN2 IGBT Power Module
72A 1200V IGBT MODULE






